Axial or Air Gap Monitoring System
We Manufacture and Supply On-Line Systems for Axial or Air Gap/Thrust Measurement. These Systems are Made in India and After-Sales Service Support is available from us via our Service Center in India. We have systems that can be Field-Mounted close to the Machine in an Environment that requires IP65 rated enclosures. We also have systems that can be Rack Mounted in the Control Room in a Controlled Environment within a Panel. If you need help designing and choosing a system for your requirement, then you can contact us on email on sales@irdmech.com or on phone at +91-22 4897 2000 (Monday to Friday, 9 AM to 6 PM IST)
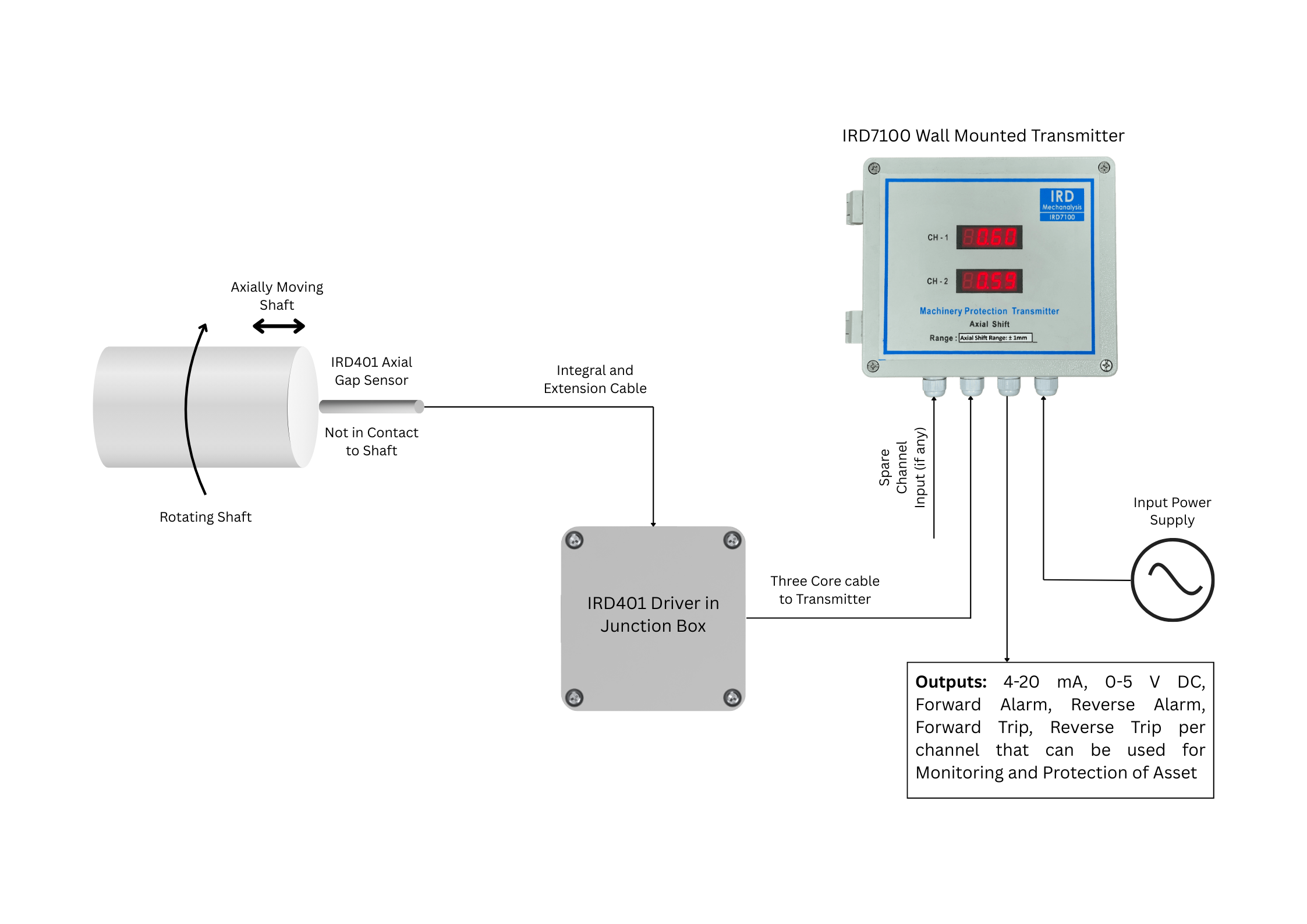
Typical Scheme for Gap Monitoring
In Axial or Air Gap measurement - a Non-Contact type Eddy Current Based Proximity Sensor is used to sense the change in Gap. The Sensor reacts to change in gap by change of monitored DC voltage. Typically, when the gap extents are +/- 1 mm and sensor range is 0 to 2 or 0 to 2.5 mm - the sensor reads -2 V DC when the gap is -1 mm (nearest to target) and -18 V DC when the gap is +1 mm (farthest from target). At the locking position of 0 mm - the DC voltage is -10 V DC. This change in DC Voltage linear to change in Gap is sensed by a Transmitter or Monitor which is then able to provide Instantaneous Gap display, 4-20 mA output, MODBUS Output, Alarm and Trip Relay Contacts. Relay Contacts are given for both Forward Direction (+ve values) as well as Reverse Direction (-ve values) thereby providing Monitoring and Protection to the asset
- Aluminium Die Cast Enclosure IP65 Rated
- Large and Bright Display of Instantaneous Gap Value
- 4-20 mA Current Output proportional to Axial Gap
- Alarm and Trip Relay Contacts per Channel. Set Point Configurable
- Available in Single, Dual and Four Channel Options
- API 670 Compliant, Rack Mounted within a Panel
- Display of Gap in terms of Bar Graph as well as Instantaneous Value
- 4-20 mA Current Output proportional to Axial Gap
- Alarm and Trip Relay Contacts per Channel. Set Point Configurable
- Available as Dual Channel Modules. Fully Programmable Microprocessor based and Password Protected.



